簡單介紹
HFKPT1-12-30兩級跑偏開關關,拉繩開關是帶式輸送機關鍵的控制元件,主要應用在冶金、電力、煤巖、礦山及化工等行業的輸送系統中。隨著PC機的廣泛應用,輸送系統的自動化程度也不斷提高,對輸送機的關鍵配套元件-----跑偏開關、拉繩開關提出了新的要求。
HFKPT1-12-30兩級跑偏開關關基本原理
當輸送帶運行中出現跑偏時,輸送帶觸碰開關立輥并使立輥偏轉,當立輥偏轉角度達到1級開關角度時,開關發出報警信號。當輸送帶跑偏嚴重,達到2級開關角度時,開關發出停機信號,實現輸送帶跑偏故障自動停機。當跑偏故障排除后,膠帶機正常運轉時,開關立輥可自動復位,回到初始狀態。
HFKPT1-12-30 兩極跑偏開關 的詳細介紹
HFKPT1-12-30 兩極跑偏開關
跑偏開關,拉繩開關是帶式輸送機關鍵的控制元件,主要應用在冶金、電力、煤巖、礦山及化工等行業的輸送系統中。隨著PC機的廣泛應用,輸送系統的自動化程度也不斷提高,對輸送機的關鍵配套元件-----跑偏開關、拉繩開關提出了新的要求。我公司為了適應市場需求,開發研制了新一代的兩級跑偏開關和拉繩開關。經過幾年使用和處理用戶反饋的信息,我們改進了其不足之處,并進一步完善了生產工藝,使產品得到了市場的認可,為輸送系統自動化控制提供了可靠的傳感元件。 HFKPT1系列兩級跑偏開關 概述 HFKPT1系列兩級跑偏開關系我公司組織科研人員開發研制的新一代產品,可用于輸送機膠帶跑偏的檢測,防止由于膠帶跑偏而造成物料溢出等故障。是輸送機自動化控制不可缺少的傳感元件。本產品由于安裝方便、開關性能可靠,在輸送機膠帶中得到廣泛應用。
HFKPT1-12-30兩級跑偏開關技術參數: 1. 使用環境條件 a.環境溫度:-30℃~70℃ b.相對濕度不大于85%
2. 主要參數見下表 型 號 動作角度 極限角度 輸出方式 負載 電流 復位方式 可靠性 重量(Kg) 一級 二級 常開 常閉 HFKPT1-12-30 12° 30° 70° 1 1 5A 自動復位 ≥106次 2.5 HFKPT1-10-45 10° 45° 70° 1 1 5A HFKPT1-20-35 20° 35° 70° 1 1 5A
結構特點: 1. 本產品采用鋁合金鑄造殼體、強度高、重量輕。
2. 外殼防護等級達到IP65,可在惡劣環境下長期工作。
3. 本產品動作靈敏、穩定性高、性能可靠,外形結構參見圖5。 工作原理 當膠帶運輸機現場發生緊急事故時,可拉動系于擺臂上的鋼絲繩,使擺臂旋轉而帶動機內凸輪并感應微動開關,發出停機信號。
HFKPT1-12-30兩級跑偏開關產品特點:
跑偏開關防護等級高達IP65,能完全防止粉塵的進入和水流侵蝕。最大傾角高達75°,自由度更高。本開關采用國際領先的銅管技術結構使產品更加精密耐用,避免拉繩開關動作時直接摩擦出現密封不嚴或卡死的情況;大幅延長開關使用壽命; 開關凸輪采用進口ABS尼龍壓鑄,便于根據實際需求調整開關動作角度;殼體表面精工拋丸噴塑,不易脫落無異味等等。此開關功能齊全,質量已達到國際領先水平。
HFKPT1-12-30兩級跑偏開關安裝和調整:
跑偏開關應安裝在輸送機兩邊具有檢修通道的地方,安裝位置應確保檢修人員在緊急情況下操作方便。
1.開關設在輸送帶兩側,立輥應與輸送帶邊平面垂直,并使輸送帶兩邊位于立輥高度1/3處。
2.立輥與輸送帶正常位置的間距宜為50~100mm。
3.數量應根據輸送機長度、類型及布置情況進行確定。一般應在輸送機頭部、尾部、凸弧段、凹弧段和在輸送機中間位置進行設置。(注:當輸送機較長時,在輸送機中間位置可每隔30~35米設1對)
4.跑偏開關應通過安裝支架與輸送機中間架連接,開架應在輸送機安裝完成后與輸送機機架焊接,開關與開關支架用螺栓固定。
HFKPT1-12-30兩級跑偏開關技術指標
1. 額定電壓:AC380V
2.額定電流:5A
3. 觸點數量:二組獨立的常開、常閉接點
4.外殼防護級別:DT型塵密外殼,防護等級IP67
5.周圍環境溫度:-25~80℃
6.開關能在頻率為10-60Hz,振幅為0.75mm(10g)的振動條件下工作
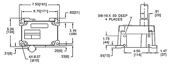
7.外形尺寸:殼體L×W×H(mm)190×135×100。
8.操作力:5~7㎏
9.通訊接口:RS485地址編碼 聯網通訊(對后綴BM的型號有效)
HFKPT1-12-30兩級跑偏開關的作用
跑偏開關又稱防偏開關。是用于檢測帶式輸送機輸送帶跑偏量的產品,對于輸送帶在出現跑偏的情況下起到自動報警和停機的一種安全保護裝置。
跑偏開關簡介
跑偏開關有兩級角度,一般常用的是:一級角度為:10、12、20.二級角度為:30、35、45.
跑偏開關基本原理
當輸送帶運行中出現跑偏時,輸送帶觸碰開關立輥并使立輥偏轉,當立輥偏轉角度達到1級開關角度時,開關發出報警信號。當輸送帶跑偏嚴重,達到2級開關角度時,開關發出停機信號,實現輸送帶跑偏故障自動停機。當跑偏故障排除后,膠帶機正常運轉時,開關立輥可自動復位,回到初始狀態。
HFKPT1-12-30兩級跑偏開關安裝和調整
1.跑偏開關設在輸送帶兩側,立輥應與輸送帶邊平面垂直,并使輸送帶兩邊位于立輥高度1/3處。
2.跑偏開關立輥與輸送帶正常位置的間距宜為50~100mm。
3.跑偏開關數量應根據輸送機長度、類型及布置情況進行確定。一般應在輸送機頭部、尾部、凸弧段、凹弧段和在輸送機中間位置進行設置。(注:當輸送機較長時,在輸送機中間位置可每隔30~35米設1對)
4.跑偏開關應通過安裝支架與輸送機中間架連接,開關支架應在輸送機安裝完成后與輸送機機架焊接,跑偏開關與跑偏開關支架用螺栓固定。
跑偏開關適用范圍
兩級跑偏開關用于常規皮帶輸送機:地下、索道支撐皮帶輸送機:輪船裝卸系統;堆垛/取料輸送機;傾斜和梭式輸送機;起重機、挖掘機,起重臂限位:裙邊給料機/輸送機:重型極限開關檢測膠帶的跑偏量,是實現膠帶機控制的自動報警和停機的保護裝置。廣泛用于冶金、煤炭、水泥建材、采礦、電力、港埠、冶金、化工等領域的各種帶式輸送設備。
跑偏開關的分類
HFKPT1-12-30兩級跑偏開關有普通型的、接線腔型、地址編碼的。
普通型的就是以上所說兩級跑偏開關;
接線腔型跑偏開關是在普通型跑偏開關的基礎上自帶一個防水接線腔,現場控制電纜可直接接入接線腔,杜絕電纜接頭受潮、虛連造成的故障。
地址編碼型跑偏開關是在普通跑偏開關的基礎上融合了現場總線技術,實現了地址編碼功能。適用于較長帶式輸送機作為遠程監測現場設備的運行情況,解決了工人尋找故障點所帶來的不便。
地址編碼型兩級跑偏開關與綜合保護儀(網關)通過現場總線方式連接,最大支持128個地址,且同一地址可多個開關同時使用,其最大特點是只需一條兩芯電纜即可同時完成數據傳輸且無需電源供電。
現場總線最終可實現與各大廠家PLC和計算機接口靈活鏈接
HFKPT1-12-30兩級跑偏開關安裝和調整
1.跑偏開關設在輸送帶兩側,立輥應與輸送帶邊平面垂直,并使輸送帶兩邊位于立輥高度1/3處。
2.跑偏開關立輥與輸送帶正常位置的間距宜為50~100mm。
3.跑偏開關數量應根據輸送機長度、類型及布置情況進行確定。一般應在輸送機頭部、尾部、凸弧段、凹弧段和在輸送機中間位置進行設置。(注:當輸送機較長時,在輸送機中間位置可每隔30~35米設1對)
4.跑偏開關應通過安裝支架與輸送機中間架連接,開關支架應在輸送機安裝完成后與輸送機機架焊接,跑偏開關與跑偏開關支架用螺栓固定。
HFKPT1-12-30兩級跑偏開關產品安裝使用注意事項
1.產品外殼設有接地端子,用戶在安裝使用時必須可靠接地。
2.安裝現場應不存在對鋁合金有腐蝕作用的有毒氣體。
3.產品的維修必須在安全場所進行,或當現場確認無可燃性粉塵存在時方可進行。
4.本拉繩開關外殼必須保持清潔,粉塵堆積厚度不大于3mm。
定制加工流程

兩級跑偏開關HFKPT1-10-45
傳感器:兩級跑偏開關
類別:行程開關,位置開關
HFKPT1兩級跑偏開關又稱防偏開關。常用名:跑偏開關、雙極跑偏開關、二極跑偏開關、皮帶跑偏開關。
HFKPT1兩級跑偏開關為了適應戶外條件下長期使用,HFKPT1兩級跑偏開關均采用整體密封,內部金屬零件進行鍍鋅純化處理,外部零件除殼體外均做多層光亮鍍鉻,殼體為鑄鋁制造,表面采用靜電噴涂技術處理,適宜在惡劣環境下使用。
一、HFKPT1兩級跑偏開關工作原理
HFKPT1兩級跑偏開關用于檢測帶式輸送機運行中的跑偏現象,按皮帶實際跑偏量輸出報警或停機信號,可有效的防止由皮帶跑偏而產生的事故。本系列HFKPT1兩級跑偏開關具有兩級動作功能。一級動作用于報警,二級動作用于自動停機。膠帶機在運行中,當膠帶跑偏且與本開關立輥接觸時,立輥自轉,若跑偏量繼續加大,則擠壓立輥發生偏移。
當運行中的膠帶發生跑偏現象時,膠帶邊緣帶動立棍旋轉并擠壓使之傾斜,若立棍傾斜角度大于一級動作角度時,開關發出一組開關信號,如立棍繼續傾斜大于二級動作角度時則輸出另一組開關信號。兩組開關信號可分別用于告警或停機,膠帶機復位正常運行后,立棍自動復位。
二、HFKPT1兩級跑偏開關適用范圍
HFKPT1兩級跑偏開關是輸送帶自動化中不可缺的產品。HFKPT1兩級跑偏開關可以用于地下、索道支撐皮帶輸送機;輪船裝卸系統;堆垛/取料輸送機;傾斜和梭式輸送機;起重機、挖掘機,起重臂限位;裙邊給料機/輸送機;重型極限開關檢測膠帶的跑偏量,是實現膠帶機控制的自動報警和停機的保護裝置。
三、HFKPT1兩級跑偏開關用途:HFKPT1兩級跑偏開關用于檢測帶式輸送機運行中的跑偏現象,按皮帶實際跑偏量輸出報警或停機信號,HFKPT1兩級跑偏開關可有效的防止由皮帶跑偏而產生的事故。是實現膠帶機控制的自動報警和停機的保護裝置。為了適應戶外條件下長期使用,HFKPT1兩級跑偏開關均采用整體密封,內部金屬零件進行鍍鋅純化處理,外部零件除殼體外均做多層光亮鍍鉻,殼體為鑄鋁制造,表面采用靜電噴涂技術處理,適宜在惡劣環境下使用。
適用場所 煤礦、電廠、化肥廠、水泥廠、化工廠、冶金廠、港阜
四、HFKPT1兩級跑偏開關技術參數
參數 動作角度 根限角度 觸點數量 觸點容量 復位方式 可靠性 重量(kg)
一級 二級 常開 常閉
HFKPT1-12-30 12° 30° 70° 2 2 AC 380V 5A 自動 >106次 3.5
HFKPT1-10-45 10° 45° 70° 2 2 AC 380V 5A 自動 >106次 3.5
HFKPT1-20-35 20° 35° 70° 2 2 AC 380V 5A 自動 >106次 3.51、本機采用鋁合金精密壓鑄殼體、強度高、重量輕;產品介紹
開關采用進口的行程開關,觸點容量大、動作靈敏,使用壽命長。
密封性好,具有防塵、防震、防腐等優點
防護等級:IP67,可在惡劣的環境中長期工作。
六、HFKPT1兩級跑偏開關技術指標
環境溫度:-30℃ -- +50℃;相對濕度:不大于85%
一級動作角度為12°(15°);二級動作角度30°(35°);極限角度70°
觸點數量及容量:2組常開;2組常閉;5A/AC 380V
防護等級:IP65
復位方式:自動復位
可靠性>1000000次
山東卓信機械設備公司一直以四點售后承諾贏得顧客光顧。
一、HFKPT1兩級跑偏開關質量承諾:
1、的制造和檢測均有質量記錄和檢測資料。
2、對產品性能的檢測,我們誠請用戶親臨對產品進行全過程、全性能檢查,待產品被確認合格后再裝箱發貨。
二、HFKPT1兩級跑偏開關價格承諾:
1、為了保證產品的高可靠性和先進性,系統的選材均選用國內或國際優質名牌產品。
2、在同等競爭條件下,我公司在不以降低產品技術性能、更改產品部件為代價的基礎上,真誠以最優惠的價格提供給貴方。
三、HFKPT1兩級跑偏開關交貨期承諾:
1、交貨期:盡量按用戶要求,若有特殊要求,需提前完工的,我公司可特別組織生產、安裝,力爭滿足用戶需求。①技術保養維修手冊
②安裝總圖
③外購件說明書及制造廠家
④提供易損件、備件清單,并附送一定量的備件
四、HFKPT1兩級跑偏開關售后服務承諾:
1、服務宗旨:快速、果斷、準確、周到、
2、產品交貨時,我公司向用戶提供下列文件;
3、服務目標:服務質量贏得用戶滿意
4、服務效率:保修期內或保修期外如設備出現故障,供方在接到通知后,維修人員在24小時內可達到現場并開始維修。
5、服務原則:產品保修期為一十二個月,在保修期內供方將免費維修和更換屬質量原因造成的零部件損壞,保修期外零部件的損壞,提供的配件只收成本費,由需方人為因素造成的設備損壞,供方維修或提供的配件均按成本價計。